Description
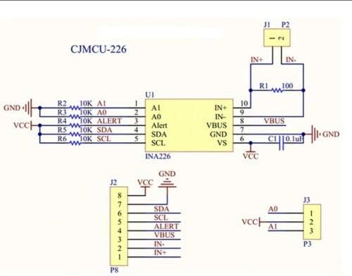
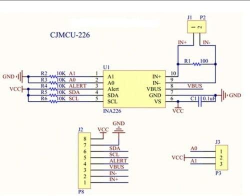
The INA226 is a power shunt and performance monitor with an I2C or SMBUS compatible interface. The device monitors both a shunt voltage drop and the bus supply voltage. Programmable calibration values, conversion times and averaging combined with an internal multiplier allow direct display of current in amps and power in watts.
Compatible: The INA226 captures the current of common mode bus voltages, which can vary between 0V and 36V regardless of the supply voltage. The device is powered by a single 2.7V to 5.5V supply and typically consumes 330μA of supply current. The device is specified for the operating temperature range between -40°C and 125°C and has up to 16 programmable addresses on the I2C compatible interface.
Detects bus voltages from 0V to 36V; high-side or low-side detection; reports current, voltage and power. Configurable averaging options - 16 programmable addresses; operates from 2.7V to 5.5V power supply; 10-pin DGS (VSSOP) chassis
High performance: high accuracy: 0.1% gain error (max. ); - 10 μV offset (max. );
Additional Information
Shipping & Return
Reviews ( 0 )
Wishlist
Wishlist is empty.
Compare
Shopping cart

